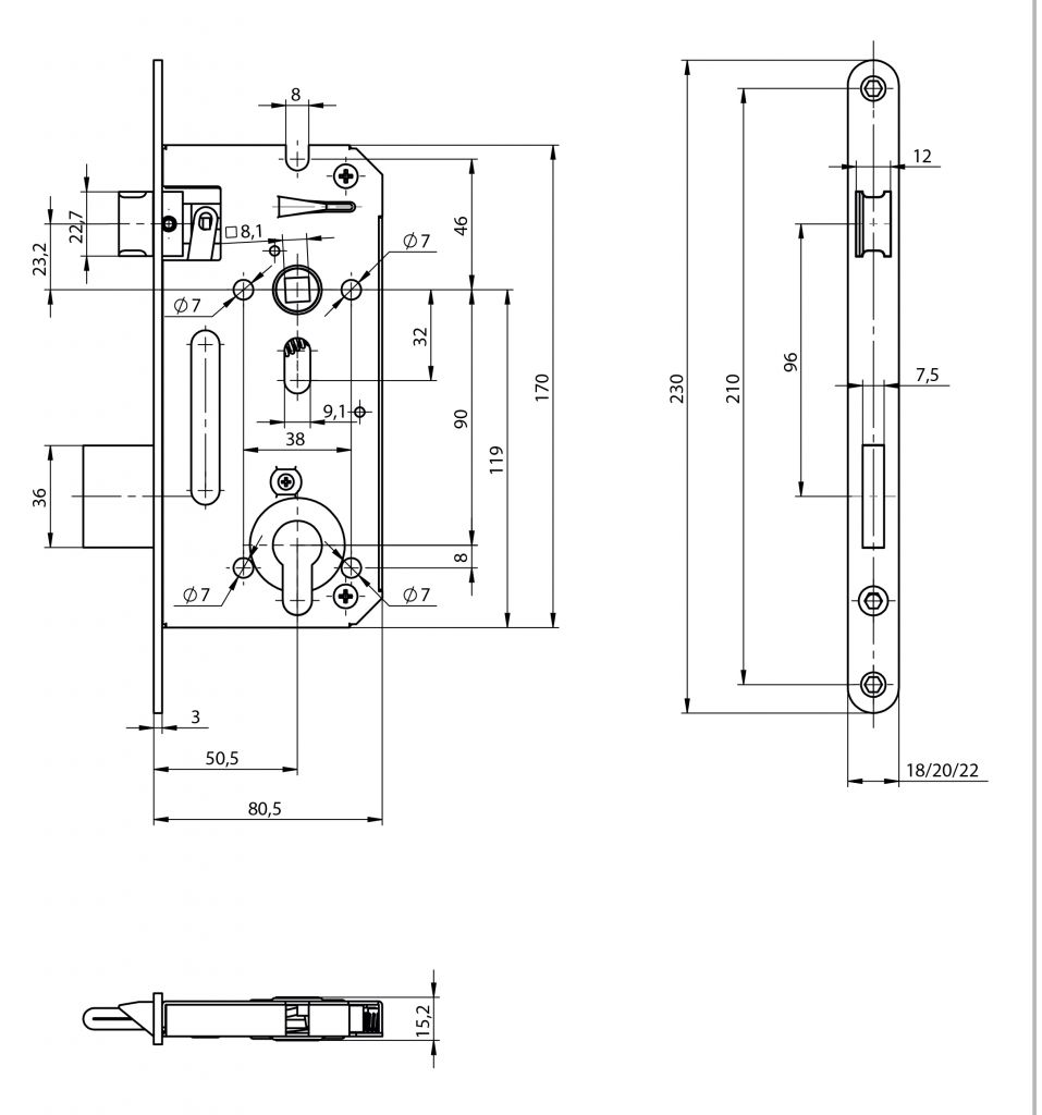
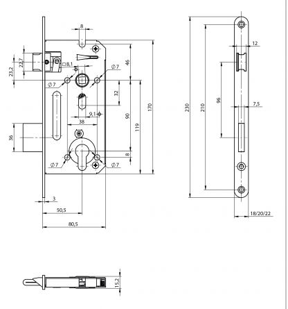
Popis produktu YALE zadl.zámek 5140/20N 1/2
- dvouzápadový, levý/pravý- standardní provedení
- ovládání přes cylindrickou vložku
- zámek s převodem (střelku lze ovládat přes cylindrickou vložku)
- otvory v bočních deskách o průměru 7 mm umožňují použití dvoudílného kování (rozetové)
- přeměnu zámku z pravého na levý a naopak umožňuje dělená střelka. Povolením příslušného šroubu se hlava střelky uvolní, vysune, otočí o 180°, nasune zpět na vodítko střelky a šroubem se utáhne
- oválný otvor v krycí i základní desce o průměru 9 mm umožňuje použití bezpečnostních štítů




