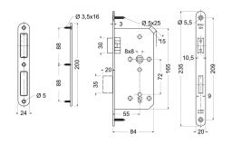
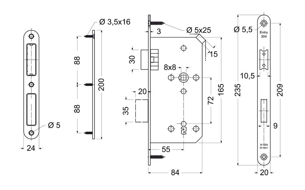
Popis produktu Zadl.zámek magnet.KLÍČ 72/55/20 závorový
ZADLABACÍ MAGNETICKÝ ZÁVOROVÝ ZÁMEK NA TVAROVÝ KLÍČ
- Vhodný pro vysoký stupeň zatížení - cyklů otevírání.
- Masivní provedení s nerezovými prvky v sérii řady „304“.
- Nastavitelný protiplech součástí zámku.
- Pravolevá střelka, bez převodu.
- Dvouzápadová závora.
- Součástí ořechu jistící pružina čtyřhranu.
- Balení vč. 2ks klíčů, 5 ks šroubů a nastavitelného protiplechu.




