Popis produktu Závěs dveřní 120 UR01 L lomený Surový
kat. č.: 9479
Použití:
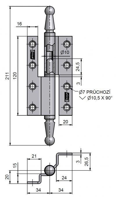
K otočnému spojení dveří s polodrážkou a dřevěné zárubně. Čep je opatřen ozdobným ukončením. Závěs je vhodný při rekonstrukcích starých dveří. Doporučujeme ho přišroubovat až po provedené povrchové úpravě dveří a zárubně.
Únosnost / ks (v kg)
- 30.00
Požární odolnost
- ne
Materiál (převažující)
- ocel
Typ závěsu
- Kompletní závěs
Typ dveří
- Interiérové
- Vchodové
Orientace dveří (okna)
- Pro levé dveře (zárubeň)
Provedení dveří
- S polodrážkou
Materiál dveřního křídla
- Dřevo
Typ zárubně
- Dřevo masiv
Uchycení závěsu
- K přišroubování
Výška čepu
- 24,5 mm
K přišroub.doporučujeme
- Vruty ø 5 mm minimální délky 50 mm






