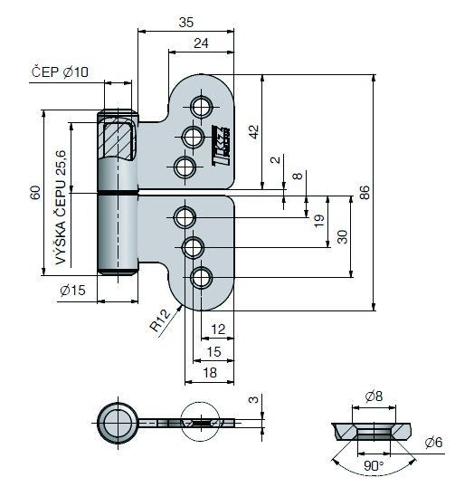
Popis produktu Závěs MERKUR Nikl
kat. č.: 5565
Použití:
Je určen především pro interiérové dveře bez polodrážky, ale i jiné bezpolodrážkové dveře a křídla podobného charakteru. (zahloubení otvorů je oboustranné).
Únosnost / ks (v kg)
- 20.00
Požární odolnost
- ne
Materiál (převažující)
- ocel
Typ závěsu
- Kompletní závěs
Typ dveří
- Interiérové
Orientace dveří (okna)
- Pro pravé i levé dveře (zárubeň)
Provedení dveří
- Bez polodrážky
Materiál dveřního křídla
- Dřevo
Typ zárubně
- Dřevo masiv
Uchycení závěsu
- K přišroubování
Výška čepu
- 25,6 mm
K přišroub.doporučujeme
- Vruty ø 4 mm minimální délky 40 mm




